|
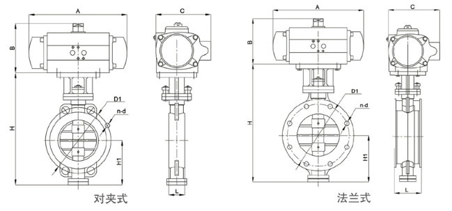
氣動硬密封蝶閥簡介: 氣動硬密封蝶閥屬于長壽命、高品質蝶閥,采用三維偏心原理設計,主要由法蘭或對夾式硬密封蝶閥與氣動執行裝置連接組成,閥座和碟板密封面采用不同硬度的金屬材料或不銹鋼制成,具有耐高溫、耐腐蝕、耐磨損等優點。氣動硬密封蝶閥采用硬軟密封兼容的多層次結構,無論在低溫或高溫的工況中都能保證優良的密封性能,且閥門在開啟和關閉時碟板和閥座基本無摩擦現象,大大提高了蝶閥的使用壽命。氣動硬密封蝶閥廣泛應用于電力、油品、蒸汽、空氣、污水等介質的管道當中,是開關控制或調節流量的*佳裝置。 氣動硬密封蝶閥性能特點: 1、采用三偏心原理結構,閥座與碟板在啟閉時幾乎無摩擦,提高了使用壽命。 2、結構獨特,操作靈活、省力、方便、不受介質壓力的高、低影響,密封性能可靠。 3、可分為氣動對夾式硬密封蝶閥和氣動法蘭硬密封蝶閥,滿足于不同連接方式,方便安裝在管道中。 3、密封是采用軟硬金屬片層疊組成,具有金屬密封和彈性密封的雙重優點,無論在低溫和高溫情況下,均具有優良的密封特性。 5、蝶閥設有密封調節裝置,長期使用后若密封性能下降,可調節碟板密封圈向閥座靠近即可恢復原有密封性能,大大地提高使用壽命。 氣動硬密封蝶閥技術參數:
氣動硬密封蝶閥執行機構:
氣動硬密封蝶閥和氣動軟密封蝶閥的區別: 1、軟密封使用于低壓-常壓,硬密封可使用于中高壓工況。 2、軟密封用于低溫,常溫環境,硬密封可用于低溫、常溫、高溫等環境。 3、軟密封蝶閥多為中線型結構,硬密封一般是單偏心、雙偏心和三偏心蝶閥結構。 4、軟密封蝶閥比三偏心硬密封蝶閥密封性能比較好,但三偏心蝶閥在高壓高溫環境下可以保持良好的密封。
氣動硬密封蝶閥和氣動軟密封蝶閥的優缺點: 硬密封蝶閥使用壽命長,但是密封性相對比軟密封差。 軟密封蝶閥的優點是密封性能好,缺點是容易老化、磨損、使用壽命短。 軟密封蝶閥多適用于含腐蝕性等常溫管路做啟閉及調節,硬密封蝶閥多用于供熱、供氣、及煤氣、油品、酸堿等環境。 |
-
D643H-16C耐高溫蒸汽鑄鋼三偏心金屬硬密封渦輪法蘭蝶閥鑄造成型,***標重型體,耐高溫425℃
-
提供力所能及的閥門解決方案,質保兩年、D643H金屬硬密封法蘭蝶閥售前、售中、售后服務。
-
不改變介質流向,不擾流,壓降小,啟閉力矩小,工藝性能好和適用的壓力、溫度范圍廣。
-
用三偏心斜錐面密封,利用蝶板擺動接觸密封、密封啟閉無磨損,關閉時具有越關越緊
-
密封面選擇D507Mo和鈷基硬質合金,具有耐腐蝕、耐高溫、使用壽命長的特點,克服了高溫使用時熱膨脹閥門易泄漏的缺點
-
適用介質:水、汽、油等


